一、WRL间歇式高剪切工作过程步骤
|
* 昊星SS-WRL间歇式高剪切乳化机在高速旋转的转子产生的离心力作用下,图中的物料从工作头的上 下进料区域同时从轴向吸入工作腔。
|
| 二、WRL系列高剪切分散乳化机工作原理: | |
| 昊星WRL间歇式(立式)高剪切分散乳化机是高效、快速、均匀地将一个相或多个相分布到另一个连续相中,而在通常情况下各个相是互相不溶的。由于转子高速旋转所产生的高切线速度和高频机械效应带来的强劲动能,从而使不相溶的固相、液相、气相在相应成熟工艺和适量添加剂的共同作用下,瞬间均匀精细地分散乳化,经过高频的循环往复,最终得到稳定的高品质产品。 |
|
| 三、WRL高剪切分散乳化机处理工艺 | |
|
混合 糖浆、香波、洗涤液、果汁浓缩液、酸奶、甜点、混合奶制品、油墨、瓷釉。
分散混合 甲基纤维素溶解、胶质体溶解、碳化物溶解、油水乳化,预混合、调味料生产、稳定剂溶解、烟尘、盐、氧化铝、农药。 分散 悬浮液、药丸包衣、药物解聚、涂料分散、唇膏、蔬菜浓汤、芥末混合物、催化剂、消光剂、金属、颜料、改性沥青、纳米材料的制备和解聚。 乳化 药乳液、药膏、雪花膏、面膜、面霜、乳化香精、油水乳化、乳化沥青、树脂乳化、蜡乳化、水性聚氨脂乳化、农药。 均质 药乳液、药膏、雪花膏、面膜、面霜、组织匀浆、奶制品均质、果汁、打印墨水、果酱。 |
|
四、WRL系列间歇式生产工艺:
WRL系列高剪切分散乳化机工艺示例
五、WRL系列高剪切乳化机性能表:
|
型号
|
功率KW
|
转速rpm
|
处理量L
|
|
WRL80
|
1.1
|
2800-2900
|
5~40
|
|
WRL90
|
1.5
|
5~50
|
|
|
WRL100
|
2.2
|
50~100
|
|
|
WRL120
|
4
|
100~300
|
|
|
WRL140
|
7.5
|
200~800
|
|
|
WRL160
|
11
|
300~1000
|
|
|
WRL180
|
18.5
|
500~1500
|
|
|
WRL200
|
22
|
1400-1500
|
800~2000
|
|
WRL220
|
30
|
1000~3000
|
|
|
WRL240
|
37
|
1500~5000
|
|
|
WRL270
|
55
|
2000~8000
|
|
|
WRL290
|
75
|
3000~10000
|
六、WRL系列高剪切乳化机结构图:
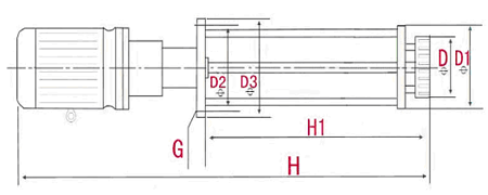
七、WRL系列高剪切乳化机外形尺寸:
|
型号
|
D
|
D1
|
D2
|
D3
|
H
|
H1
|
G
|
|
WRL80
|
105
|
145
|
200
|
205
|
705
|
355
|
8ר16
|
|
WRL90
|
110
|
155
|
210
|
210
|
710
|
360
|
8ר16
|
|
WRL100
|
116
|
160
|
215
|
265
|
1150
|
650
|
8ר16
|
|
WRL120
|
141
|
195
|
255
|
290
|
1300
|
725
|
8ר16
|
|
WRL140
|
156
|
215
|
280
|
330
|
1520
|
850
|
8ר16
|
|
WRL160
|
184
|
235
|
280
|
330
|
1655
|
850
|
8ר20
|
|
WRL180
|
200
|
280
|
360
|
415
|
2070
|
1200
|
8ר20
|
|
WRL200
|
240
|
300
|
360
|
415
|
2130
|
1200
|
8ר20
|
|
WRL220
|
260
|
320
|
400
|
450
|
2525
|
1355
|
8ר20
|
|
WRL240
|
280
|
340
|
400
|
450
|
2585
|
1395
|
8ר20
|
|
WRL270
|
330
|
380
|
500
|
550
|
29955
|
1650
|
8ר20
|
|
WRL290
|
350
|
400
|
500
|
550
|
3050
|
1660
|
8ר20
|